韩国毛片免费大片-韩国毛片免费-韩国毛片基地-韩国毛片 免费-韩国毛片-韩国妈妈的朋友在线播放

配件供應中心柴油發電機組配件OE50578/1活塞、OE50461/1連桿、KRP3008/010連桿瓦、KRP1251活塞環、_珀金斯發動機配件_配件供應中心_產品中心_廈門永新昌機械設備有限公司
柴油發電機組配件OE50578/1活塞、OE50461/1連桿、KRP3008/010連桿瓦、KRP1251活塞環、

柴油發電機組配件OE50578/1活塞、OE50461/1連桿、KRP3008/010連桿瓦、KRP1251活塞環、_珀金斯發動機配件_配件供應中心_產品中心_廈門永新昌機械設備有限公司

當前分類:配件供應中心關鍵詞
產品信息

柴油發電機組配件OE50578/1活塞、OE50461/1連桿、KRP3008/010連桿瓦、KRP1251活塞環、OE52353正時齒輪

項目 零配件號碼 最近的部分號碼 描述

1 OE50578/1 6 OE50578/1 活塞裝備

1 OE51880/1 1 OE51880/1 活塞裝備 -特大號

1 OE51881/1 1 OE51881/1 活塞裝備 -高度正等級

1 OE52560/1 1 OE52560/1 活塞裝備

5 KRP1251 6 KRP1251 活塞環裝備

6 OE50461/1 A1 1 OE50461/1 A1 連桿組合 對 9 LB 5 OZ 的 9 LB 4 OZ

6 OE50461/1 A2 1 OE50461/1 A2 連桿組合 對 9 LB 6 OZ 的 9 LB 5 OZ

6 OE50461/1 A3 1 OE50461/1 A3 連桿組合 對 9 LB 7 OZ 的 9 LB 6 OZ

6 OE50461/1 A4 1 OE50461/1 A4 連桿組合 對 9 LB 8 OZ 的 9 LB 7 OZ

6 OE50461/1 B1 1 OE50461/1 B1 連桿組合 對 9 LB 9 OZ 的 9 LB 8 OZ

6 OE50461/1 B2 1 OE50461/1 B2 連桿組合 對 9 LB 10 OZ 的 9 LB 9 OZ

6 OE50461/1 B3 1 連桿組合 對 9 LB 11 OZ 的 9 LB 10 OZ

6 OE50461/1 B4 1 連桿組合 對 9 LB 12 OZ 的 9 LB 11 OZ

6 OE50461/1 C1 1 OE50461/1 C1 連桿組合 對 9 LB 13 OZ 的 9 LB 12 OZ

6 OE50461/1 C2 1 OE50461/1 C2 連桿組合 對 9 LB 14 OZ 的 9 LB 13 OZ

6 OE50461/1 C3 1 連桿組合 對 9 LB 15 OZ 的 9 LB 14 OZ

6 OE50461/1 C4 1 OE50461/1 C4 連桿組合 對 10 LB 0 OZ 的 9 LB 15 OZ

6 OE50461/1 D1 1 OE50461/1 D1 連桿組合 對 10 LB 1 OZ 的 10 LB 0 OZ

6 OE50461/1 D2 1 OE50461/1 D2 連桿組合 對 10 LB 2 OZ 的 10 LB 1 OZ

6 OE50461/1 D3 1 OE50461/1 D3 連桿組合 對 10 LB 3 OZ 的 10 LB 2 OZ

6 OE50461/1 D4 1 OE50461/1 D4 連桿組合 對 10 LB 4 OZ 的 10 LB 3 OZ

6 OE50461/1 E1 1 OE50461/1 E1 連桿組合 對 10 LB 5 OZ 的 10 LB 4 OZ

6 OE50461/1 E2 1 OE50461/1 E2 連桿組合 對 10 LB 6 OZ 的 10 LB 5 OZ

6 OE50461/1 E3 1 OE50461/1 E3 連桿組合 對 10 LB 7 OZ 的 10 LB 6 OZ

6 OE50461/1 E4 1 OE50461/1 E4 連桿組合 對 10 LB 8 OZ 的 10 LB 7 OZ

6 OE50461/1 Y1 1 連桿組合 對 8 LB 13 OZ 的 8 LB 12 OZ

6 OE50461/1 Y2 1 連桿組合 對 8 LB 14 OZ 的 8 LB 13 OZ

6 OE50461/1 Y3 1 連桿組合 對 8 LB 15 OZ 的 8 LB 14 OZ

6 OE50461/1 Y4 1 連桿組合 對 9 LB 0 OZ 的 8 LB 15 OZ

6 OE50461/1 Z1 1 連桿組合 對 9 LB 1 OZ 的 9 LB 0 OZ

6 OE50461/1 Z2 1 連桿組合 對 9 LB 2 OZ 的 9 LB 1 OZ

6 OE50461/1 Z3 1 連桿組合 對 9 LB 3 OZ 的 9 LB 2 OZ

6 OE50461/1 Z4 1 連桿組合 對 9 LB 4 OZ 的 9 LB 3 OZ

6 OE50461/1 6 連桿組合

12 KRP3008/010 1 KRP3008/010 連桿瓦 BRG 裝備 -U/S

12 KRP3008/020 1 KRP3008/020 連桿瓦 BRG 裝備 -U/S

12 KRP3008/030 1 KRP3008/030 連桿瓦 BRG 裝備 -U/S

12 KRP3008/040 1 KRP3008/040 連桿瓦 BRG 裝備 -U/S

12 KRP3008 1 KRP3008 連桿瓦橋承裝備

13 OE50535 6 OE50535 噴射

14 ST10529 6 ST10529 密封 - O 的圈

15 ST33298 6 ST33298 彈簧銷

16 UF1501 6 UF1501 螺拴

17 0920053 6 0920053 墊圈

Item Parts No. Qty. Latest Part No. Description Cut Out Cut In Comment

1 OE50578/1 6 OE50578/1 PISTON KIT

1 OE51880/1 1 OE51880/1 PISTON KIT - OVERSIZE

1 OE51881/1 1 OE51881/1 PISTON KIT - HEIGHT GRADED

1 OE52560/1 1 OE52560/1 PISTON KIT

5 KRP1251 6 KRP1251 PISTON RING KIT

6 OE50461/1A1 1 OE50461/1A1 CON ROD ASSEMBLY 9LB 4OZ TO  9LB 5OZ

6 OE50461/1A2 1 OE50461/1A2 CON ROD ASSEMBLY 9LB 5OZ TO  9LB 6OZ

6 OE50461/1A3 1 OE50461/1A3 CON ROD ASSEMBLY 9LB 6OZ TO  9LB 7OZ

6 OE50461/1A4 1 OE50461/1A4 CON ROD ASSEMBLY 9LB 7OZ TO  9LB 8OZ

6 OE50461/1B1 1 OE50461/1B1 CON ROD ASSEMBLY 9LB 8OZ TO  9LB 9OZ

6 OE50461/1B2 1 OE50461/1B2 CON ROD ASSEMBLY 9LB 9OZ TO  9LB 10OZ

6 OE50461/1B3 1 Check History CON ROD ASSEMBLY 9LB 10OZ TO  9LB 11OZ

6 OE50461/1B4 1 Check History CON ROD ASSEMBLY 9LB 11OZ TO  9LB 12OZ

6 OE50461/1C1 1 OE50461/1C1 CON ROD ASSEMBLY 9LB 12OZ TO  9LB 13OZ

6 OE50461/1C2 1 OE50461/1C2 CON ROD ASSEMBLY 9LB 13OZ TO  9LB 14OZ

6 OE50461/1C3 1 Check History CON ROD ASSEMBLY 9LB 14OZ TO  9LB 15OZ

6 OE50461/1C4 1 OE50461/1C4 CON ROD ASSEMBLY 9LB 15OZ TO  10LB 0OZ

6 OE50461/1D1 1 OE50461/1D1 CON ROD ASSEMBLY 10LB 0OZ TO  10LB 1OZ

6 OE50461/1D2 1 OE50461/1D2 CON ROD ASSEMBLY 10LB 1OZ TO  10LB 2OZ

6 OE50461/1D3 1 OE50461/1D3 CON ROD ASSEMBLY 10LB 2OZ TO  10LB 3OZ

6 OE50461/1D4 1 OE50461/1D4 CON ROD ASSEMBLY 10LB 3OZ TO  10LB 4OZ

6 OE50461/1E1 1 OE50461/1E1 CON ROD ASSEMBLY 10LB 4OZ TO  10LB 5OZ

6 OE50461/1E2 1 OE50461/1E2 CON ROD ASSEMBLY 10LB 5OZ TO  10LB 6OZ

6 OE50461/1E3 1 OE50461/1E3 CON ROD ASSEMBLY 10LB 6OZ TO  10LB 7OZ

6 OE50461/1E4 1 OE50461/1E4 CON ROD ASSEMBLY 10LB 7OZ TO  10LB 8OZ

6 OE50461/1Y1 1 Check History CON ROD ASSEMBLY 8LB 12OZ TO  8LB 13OZ

6 OE50461/1Y2 1 Check History CON ROD ASSEMBLY 8LB 13OZ TO  8LB 14OZ

6 OE50461/1Y3 1 Check History CON ROD ASSEMBLY 8LB 14OZ TO  8LB 15OZ

6 OE50461/1Y4 1 Check History CON ROD ASSEMBLY 8LB 15OZ TO  9LB 0OZ

6 OE50461/1Z1 1 Check History CON ROD ASSEMBLY 9LB 0OZ TO  9LB 1OZ

6 OE50461/1Z2 1 Check History CON ROD ASSEMBLY 9LB 1OZ TO  9LB 2OZ

6 OE50461/1Z3 1 Check History CON ROD ASSEMBLY 9LB 2OZ TO  9LB 3OZ

6 OE50461/1Z4 1 Check History CON ROD ASSEMBLY 9LB 3OZ TO  9LB 4OZ

6 OE50461/1 6 Check History CON ROD ASSEMBLY

12 KRP3008/010 1 KRP3008/010 BIG END BRG KIT - U/S

12 KRP3008/020 1 KRP3008/020 BIG END BRG KIT - U/S

12 KRP3008/030 1 KRP3008/030 BIG END BRG KIT - U/S

12 KRP3008/040 1 KRP3008/040 BIG END BRG KIT - U/S

12 KRP3008 1 KRP3008 BIG END BEARING KIT

13 OE50535 6 OE50535 JET

14 ST10529 6 ST10529 SEAL - O RING

15 ST33298 6 ST33298 SPRING PIN

16 UF1501 6 UF1501 BOLT

17 0920053 6 0920053 WASHER

Item Parts No. Qty. Latest Part No. Description Cut Out Cut In Comment

2 1 PISTON

3 1 GUDGEON PIN

4 OE9714I 1 OE9714I CIRCLIP

4 OE9714 1 OE9714I CIRCLIP

5 OE9714I 1 OE9714I CIRCLIP

5 OE9714 1 OE9714I CIRCLIP

Item Parts No. Qty. Latest Part No. Description Cut Out Cut In Comment

7 1 ROD

8 1 CAP

9 OE50463 1 OE50463 SMALL END BUSH

10 OE23311 2 OE23311 CON ROD BOLT

11 OE3735 2 OE3735 CON ROD NUT

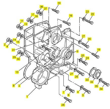
項目 零配件號碼 最近的部分號碼 描述

1 OE52353 1 OE52353 正時齒輪箱

2 UF1575 1 UF1575 螺拴

3 UF4355 2 UF4355 螺帽

4 ST16260 2 0920054 墊圈

5 UF1574 1 UF1574 螺拴

6 UF1622 1 UF1622 螺拴

7 ST16261 1 0920055 墊圈

8 OE51203 1 OE51203 密合墊 - 時間安排的箱

9 OE50254 1 OE50254 密封 -前面端油

10 UF1763 2 UF1763 螺拴

11 UF4359 2 UF4359 UNF 螺帽

12 ST16264 2 ST16264 墊圈

13 UF1762 2 UF1762 螺拴

14 UF4359 2 UF4359 UNF 螺帽

15 ST16264 2 ST16264 墊圈

16 UF1566 1 UF1566 固正螺釘

17 UF4355 1 UF4355 螺帽

18 ST16260 1 0920054 墊圈

19 UF1513 1 UF1513 螺拴

20 UF1612 1 UF1612 固正螺釘

21 ST16261 1 0920055 墊圈

22 UF1609 1 UF1609 固正螺釘

23 ST16261 1 0920055 墊圈

24 UF1615 1 UF1615 螺拴

25 ST16261 1 0920055 墊圈

26 0746601 2 0746601 螺旋

27 ST16261 2 0920055 墊圈

28 UF1517 1 UF1517 螺拴

29 UF4354 2 UF4354 螺帽

30 ST16259 1 0920053 墊圈

31 OE50947 1 OE50947 眼圈

32 OE47657 1 OE47657 蓋

33 OE50897 1 OE50897 密合墊

34 UF1501 4 UF1501 螺拴

35 ST16259 4 0920053 墊圈

36 UF4354 1 UF4354 螺帽

37 0920053 1 0920053 墊圈

Item Parts No. Qty. Latest Part No. Description Cut Out Cut In Comment

1 OE52353 1 OE52353 TIMING GEAR CASE

2 UF1575 1 UF1575 BOLT

3 UF4355 2 UF4355 NUT

4 ST16260 2 0920054 WASHER

5 UF1574 1 UF1574 BOLT

6 UF1622 1 UF1622 BOLT

7 ST16261 1 0920055 WASHER

8 OE51203 1 OE51203 GASKET - TIMING CASE

9 OE50254 1 OE50254 SEAL - FRONT END OIL

10 UF1763 2 UF1763 BOLT

11 UF4359 2 UF4359 UNF NUT

12 ST16264 2 ST16264 WASHER

13 UF1762 2 UF1762 BOLT

14 UF4359 2 UF4359 UNF NUT

15 ST16264 2 ST16264 WASHER

16 UF1566 1 UF1566 SETSCREW

17 UF4355 1 UF4355 NUT

18 ST16260 1 0920054 WASHER

19 UF1513 1 UF1513 BOLT

20 UF1612 1 UF1612 SETSCREW

21 ST16261 1 0920055 WASHER

22 UF1609 1 UF1609 SETSCREW

23 ST16261 1 0920055 WASHER

24 UF1615 1 UF1615 BOLT

25 ST16261 1 0920055 WASHER

26 0746601 2 0746601 SCREW

27 ST16261 2 0920055 WASHER

28 UF1517 1 UF1517 BOLT

29 UF4354 2 UF4354 NUT

30 ST16259 1 0920053 WASHER

31 OE50947 1 OE50947 EYE

32 OE47657 1 OE47657 COVER

33 OE50897 1 OE50897 GASKET

34 UF1501 4 UF1501 BOLT

35 ST16259 4 0920053 WASHER

36 UF4354 1 UF4354 NUT

37 0920053 1 0920053 WASHER

購買配件須知:

1、購買前請確認零部件型號、技術參數、編碼、適用機型。因批次不同或存在零部件差異,請以實物為準。

2、為選購正確的零部件,可以通過對比現場零部件和本網站所展示的是否一致,來確保購買到準確的零部件。

3、本網站目前暫未上架全部機型的零部件,如在網站中未查詢到的零部件,請聯系我們。