韩国毛片免费大片-韩国毛片免费-韩国毛片基地-韩国毛片 免费-韩国毛片-韩国妈妈的朋友在线播放

配件供應中心金道YQX45系列叉車配件_叉車配件_配件供應中心_產品中心_廈門永新昌機械設備有限公司
金道YQX45系列叉車配件

金道YQX45系列叉車配件_叉車配件_配件供應中心_產品中心_廈門永新昌機械設備有限公司

當前分類:配件供應中心關鍵詞
產品信息
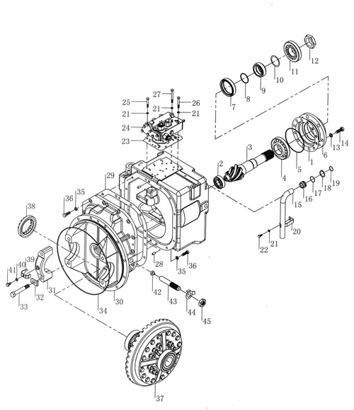
序號圖號名稱數量所用型號
1 YQX45-0012 調整墊片按需
2 GB283-94 軸承NUP306EM1
3 YQX45-0401 主動弧齒錐齒輪1
4 GB297-94 軸承313121
5 GB1235-76 O形密封圈 1
150×3.1
6 YQX45-0402 軸承座1
7 YQX45-0410 雙向油封1
8 GB1235-76 O形密封圈 1
60×3.1
9 YQX45-0403 隔套1
10 YQX45-0404 調整墊按需
11 GB297-94 軸承313111
12 YQX45-0405 螺母1
13 GB93-87 彈簧墊圈146
14 GB5786-86 螺栓6
M14×1.5×40
15 YQX45-0601 油管1
16 YQX45-0602 連接塊1
17 GB3452.1-92 O形密封圈 1
31.5×1.8
18 GB894.1-86 軸用彈性擋圈351
19 GB3452.1-92 O形密封圈 1
25×1.8
20 YQX45-0019 固定卡板1
21 GB93-87 彈簧墊圈89
22 GB5783-86 螺栓M8×161
23 YQX45-0003 紙墊1
24 YQX45-4000 控制閥總成1
25 GB5782-86 螺栓M8×553
26 GB5782-86 螺栓M8×654
27 GB5782-86 螺栓M8×801
28 GB119-86 圓柱銷B10×202
29 YQX45-0004 紙墊1
30 YQX45-0301 減速架1
31 YQX45-0302A 軸承蓋2
32 YQX45-0305 鎖片4
33 YQX45-0303A 螺栓4
34 YQX45-0304 O形密封圈 1
35 GB93-87 彈簧墊圈1214
36 GB5786-86 螺栓14
M12×1.25×35
37 YQX45-2000 差速器總成1
38 YQX45-0007 調整螺母2
39 YQX45-0006 鎖片2
40 GB93-87 彈簧墊圈102
41 YQX45-0005 六角頭帶孔螺栓2
42 YQX45-0008 滑塊1
43 YQX45-0009 螺柱1
44 YQX45-0010 止動墊圈1
45 GB6173-86 螺母M27×21
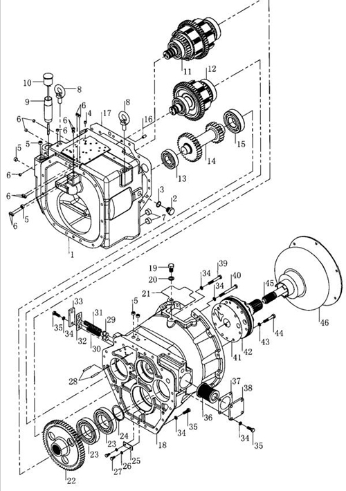
序號圖號名稱數量所用型號
1 YQX45-0101 箱體1
2 YQX45-0102 螺塞1
3 Q20-03 密封圈22×28×2 1
4 YQX45-0020 阻尼塞1
5 YQX100-0025 螺塞R3/8 6
6 YQX100-0024 螺塞R1/8 12
7 YQX100-0019 螺塞R3/4 2
8 GB825-88 吊環螺釘M16×35 2
9 YQX45-0103 進油管1
10 YQX30-0400 加油器蓋組件1
11 YQX45-1000 雙向離合器總成1
12 YQX45-5000 單向離合器總成1
13 GB276-94 軸承6308 1
14 YQX45-0011 惰輪軸1
15 GB276-94 軸承6310 1
16 GB119-86 圓柱銷B10×20 2
17 YQX45-0002 紙墊1
18 YQX45-0201 變矩器殼體1
19 GB5783-86 螺栓M16×25 1
20 GB93-87 彈簧墊圈16 1
21 YQX45-0202 蓋板1
22 YQX45-0014 輸出齒輪1
23 GB276-94 軸承6214 2
24 GB894.1-86 軸用彈性擋圈70 1
25 YQX45-0015 固定板1
26 GB93-87 彈簧墊圈8 2
27 GB5783-86 螺栓M8×16 2
28 YQX100-0031 銷子2
29 YQX100-0026 活塞2
30 YQX100-0030 彈簧1
31 YQX100-0029 彈簧1
32 YQX100-0028 密封墊1
33 YQX100-0027 1
34 GB93-87 彈簧墊圈10 21
35 GB5786-86 螺栓16
M10×1.25×30
36 YQX45-0500 濾油器1
37 YQX45-0018 紙墊1
38 YQX45-0017 蓋板1
39 GB5785-86 螺栓2
M10×1.25×70
40 GB5785-86 螺栓3
M10×1.25×100
41 YQX45-0001 紙墊1
42 YQX45-3000 油泵總成1
43 JB982-77 組合密封墊10 7
44 YQX45-0016 螺栓7
45 YQX45-0013 渦輪軸1
46 YQX45-6000 YJH315E 1
液力變矩器
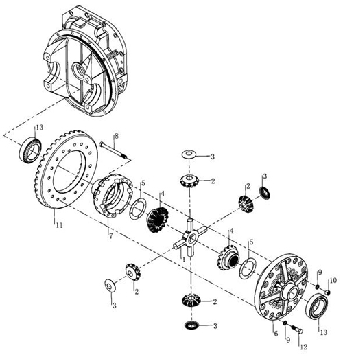
序號圖號名稱數量所用型號
1 YQX45-2005 十字架1
2 YQX45-2006 行星齒輪4
3 YQX45-2004 止推墊圈4
4 YQX45-2001 半軸齒輪2
5 YQX45-2002 墊圈2
6 YQX45-2102 左差速器殼1
7 YQX45-2101 右差速器殼1
8 YQX45-2007 螺栓12
9 GB93-87 彈簧墊圈14 28
10 GB6176-86 螺母M14×1.5 12
11 YQX45-2003 被動弧齒錐齒輪1
12 GB5785-86 螺栓16
M14×1.5×50
13 GB297-94 軸承33016 2
序號圖號名稱數量所用型號
1 YQX45-1100 雙向離合器轂組件1
2 YQX100-1007 密封環A 2
3 YQX100-1008 密封環B 2
4 YQX45-1301 離合器活塞2
5 YQX30-1010 堵塞2
6 GB308-89 鋼球3.1750 G200b 2
7 YQX100A-1009 碟形板2
8 YQX45-1010 墊板2
9 YQX100-1006 分離片10
10 YQX100-1200 內摩擦片12
11 YQX45-1001 端板2
12 YQX100-1004 彈性擋圈2
13 YQX45-1004 彈簧2
14 YQX100-1012 彈簧座2
15 GB894.1-86 擋圈50 4
16 YQX100-1013 止推環A 2
17 GB5846-86 滾針軸承K505735 2
18 YQX45-1003 前進Ⅰ檔齒輪1
19 YQX45-1005 后退檔齒輪1
20 YQX45-1007 止推墊1
21 YQX100-1001 止推環B 1
22 GB276-94 軸承6310 1
23 YQX45-1002 密封圈1
24 GB276-94 軸承6308 1
25 GB894.1-86 擋圈40 1
26 YQX100-1017 密封環C 3
27 YQX100-0024 螺塞R1/8 2
序號圖號名稱數量所用型號
1 YQX45-1100 雙向離合器轂組件1
2 YQX100-1007 密封環A 2
3 YQX100-1008 密封環B 2
4 YQX45-1301 離合器活塞2
5 YQX30-1010 堵塞2
6 GB308-89 鋼球3.1750 G200b 2
7 YQX100A-1009 碟形板2
8 YQX45-1010 墊板2
9 YQX100-1006 分離片10
10 YQX100-1200 內摩擦片12
11 YQX45-1001 端板2
12 YQX100-1004 彈性擋圈2
13 YQX45-1004 彈簧2
14 YQX100-1012 彈簧座2
15 GB894.1-86 擋圈50 4
16 YQX100-1013 止推環A 2
17 GB5846-86 滾針軸承K505735 2
18 YQX45-1003 前進Ⅰ檔齒輪1
19 YQX45-1005 后退檔齒輪1
20 YQX45-1007 止推墊1
21 YQX100-1001 止推環B 1
22 GB276-94 軸承6310 1
23 YQX45-1002 密封圈1
24 GB276-94 軸承6308 1
25 GB894.1-86 擋圈40 1
26 YQX100-1017 密封環C 3
27 YQX100-0024 螺塞R1/8 2
序號圖號名稱數量所用型號
1 YQX45-5100 單向離合器轂組件1
2 YQX100-1007 密封環A 1
3 YQX100-1008 密封環B 1
4 YQX45-1301 離合器活塞1
5 YQX30-1010 堵塞1
6 GB308-89 鋼球3.1750 G200b 1
7 YQX100A-1009 碟形板1
8 YQX45-1010 墊板1
9 YQX100-1006 分離片5
10 YQX100-1200 內摩擦片6
11 YQX45-1001 端板1
12 YQX100-1004 彈性擋圈1
13 YQX45-1004 彈簧1
14 YQX100-1012 彈簧座1
15 GB894.1-86 擋圈50 2
16 YQX100-1013 止推環A 1
17 GB5846-86 滾針軸承K505735 1
18 YQX45-5001 前進Ⅱ檔齒輪1
19 YQX100-1001 止推環B 1
20 GB276-94 球軸承6310 1
21 YQX100-0024 螺塞R1/8 1
22 YQX45-5002 堵頭1
23 GB276-94 球軸承6308 1
24 GB894.1-86 軸用彈性擋圈40 1
25 YQX100-1017 密封環C 2